型 號:DUS超低型DAIKI搬運小坦克
規 格:3噸-5噸DUS超低型DAIKI搬運小坦
公司名稱:日本DAIKII搬運小坦克
保質周期:12
價 格(≤ 1) ¥電議 /臺
優惠價格(≥ 5):電議

◆DUS超低型搬運小坦克是屬于日本原裝進口的DAIKI品牌的搬運工具,本體高度低承載能力大是一款不錯的搬運小坦克.
◆DAIKI DUS超低型搬運小坦克采用低床設計,本體高度低,滿足了狹小空間搬運設備的要求.
◆DUS超低型搬運小坦克采用聚氨酯搬運坦克輪,耐磨損,承載能力強,搬運過程對地面沒有損壞.
◆DUS超低型搬運小坦克重心低,在重物搬運時更加平穩,避免了重物滑落的危險.
◆DAIKI DUS超低型搬運小坦克配有6/8個坦克輪,始動、運行阻力減少,搬運作業更加輕松.

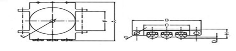
DAIKI DUS超低型搬運小坦克尺寸圖:

|
型 號 |
載荷 |
滑輪 |
重量 |
A |
B |
φC |
D |
E |
F |
φG |
H 高度 |
|
DU6S-3 |
3T |
50×73×6 |
10 |
246 |
290 |
150 |
10 |
M20 |
114 |
23 |
67 |
|
DU8S-5 |
5T |
50×73×8 |
15 |
290 |
300 |
200 |
10 |
M20 |
114 |
23 |
70 |
注:由于產品不斷改良,當外形與參數變更時,均以實物為主,想要了解更多產品詳情可電話聯系我們.

DUS超低型搬運小坦克為日本原裝進口產品,保質1年,我公司承諾凡是客戶在我公司定購的進口類產品均為原裝正品,絕不存在拆件貨,換件貨,假冒品牌產品,凡客戶從我公司訂購日本DAIKI 產品如收到貨物時發現有拆件貨,換件貨,假冒、假貨仿貨均以100倍金額賠償。