型 號:LLH-N05配重液壓小吊機
規 格:150kg-550kg配重式液壓小吊車
公司名稱:龍升品牌
保質周期:12
價 格(≤ 1) ¥電議 /臺
優惠價格(≥ 5):電議
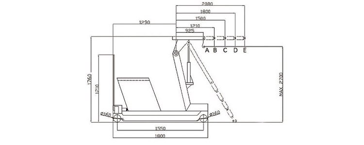
配重式手動液壓小吊機通過手動升降,手動行走,可調5工位,獲得一般起重機無法達到的起重載荷,起重載荷分別為:150kg.250kg.350kg.450kg和550kg.出廠前125%過載測試.符合CE要求,產品質量有保障.

配重式手動液壓小吊機介紹:
1.屬于帶配重箱的,通過手動升降,手推移動的液壓小吊機,起吊平穩,安全性高;
2.液壓小吊機采用雙動力液壓油缸,油缸密封采用工程機械標磚設計,安全可靠,省時省力;
3.吊臂長度可五工位手動調節,配有鍛造重載可旋轉吊鉤和2個固定PU前輪,2個PU后輪,耐磨損.
4.配重式手動液壓小吊機采用無支腿平衡重載設計,適用于塑機,加工中心,壓機等吊裝模具或工件以及貨場、倉庫、車間、等場所的貨物起吊和裝卸使用.

|
型號 |
LLH-N05 |
||||
|
孔位 |
A |
B |
C |
D |
E |
|
額定載荷 |
550kg |
450kg |
350kg |
250kg |
150kg |
|
尺寸 |
925mm |
1210mm |
1500mm |
1800mm |
2080mm |
注:由于產品不斷改良,當外形與參數變更時,均以實物為主,想要了解更多產品詳情可電話聯系我們.



配重式手動液壓小吊機屬于龍升品牌產品,保質12個月(易損件除外),在保質期內,出現產品自身的質量問題,可免費調換配件,免費維修,若在操作使用過程中造成的產品損壞可收費維修,該產品終身保修.