型 號:KHC氣動平衡器控制手柄
規 格:
公司名稱:KHC氣動平衡器控制手柄
保質周期:12
價 格(≤ 1) ¥電議 /臺
優惠價格(≥ 5):電議

KHC氣動平衡器控制手柄,氣動平衡器控制手柄

◆KHC氣動平衡器控制手柄屬于韓國KHC氣動平衡器原裝配件。我公司可提供相關代理證明和報關單據(韓國KHC品牌授權代理證明);
◆韓國KHC氣動平衡器控制手柄通過按鈕按力的大小,控制上升/下降速度,定位準。


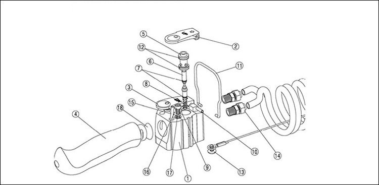
| 序號 | 型號 | 描述 | 數量 | 序號 | 型號 | 描述 | 數量 | |
| 1 | KAB-000-3001 | 閥體 | 1 | 10 | KAB-000-3010 | 彈簧插銷 | 1 | |
| 2 | KAB-000-3002 | 上升按鈕 | 1 | 11 | KAB-000-3011 | 保護圈 | 1 | |
| 3 | KAB-000-3003 | 下降按鈕 | 1 | 12 | KAB-000-3012 | O型圈 | 4 | |
| 4 | KAB-000-3004 | 手柄 | 1 | 13 | KAB-000-3013 | 鋼絲繩固定螺帽 | 4 | |
| 5 | KAB-000-3005 | 圓筒 | 2 | 14 | KAB-000-3014 | 氣管插嘴 | 2 | |
| 6 | KAB-000-3006 | 線軸 | 2 | 15 | KAB-000-3015 | 墊圈插銷 | 1 | |
| 7 | KAB-000-3007 | X型圈 | 4 | 16 | KAB-000-3016 | 調整螺栓 | 2 | |
| 8 | KAB-000-3008 | 線軸彈簧 | 1 | 17 | KAB-000-3017 | O型圈 | 3 | |
| 9 | KAB-000-3009 | 圓頭螺釘 | 1 | 18 | KAB-000-3018 | 消音器 | 1 |
注:由于產品不斷改良,當外形與參數變更時,均以實物為主,想要了解更多產品詳情可電話聯系我們。



KHC氣動平衡器控制手柄屬于韓國KHC品牌原裝進口產品,保質12個月(易損件除外),凡客戶從我公司定購此品牌產品如收到貨物時發現有假貨仿貨均以100倍金額賠償。