型 號:AL-DUB型DAIKI搬運小坦克
規 格:4噸,6噸AL-DUB型DAIKI搬運小
公司名稱:日本DAIKI搬運小坦克
保質周期:12
價 格(≤ 1) ¥電議 /臺
優惠價格(≥ 5):電議

DAIKI搬運小坦克AL-DUB型,AL-DUB型搬運小坦克

■DAIKI搬運小坦克AL-DUB型采用鋁合金材質制成,耐腐蝕抗氧化,強度高,移運省力.
■日本AL-DUB型搬運小坦克本體高度低,適合空間受限的場合使用.
■AL-DUB型DAIKI搬運小坦克前輪可左右25度旋轉,且承載板帶有固定孔,用螺栓固定重物,安全搬運.
■日本DAIKI AL-DUB型搬運小坦克配有固定栓,可轉向,也可充當直行搬運小坦克用.

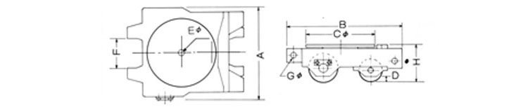
DAIKI搬運小坦克AL-DUB型尺寸圖:

|
型號 |
能力 |
滾輪(φ×L×個數) |
重量 |
A |
B |
φC |
D |
E |
F |
φG |
H |
|
|
前輪 |
后輪 |
|||||||||||
|
AL-DUB-4 |
40(4) |
60×80×2 |
80×80×2 |
13 |
262 |
350 |
180 |
13 |
M20 |
114 |
21 |
112 |
|
AL-DUB-6 |
60(6) |
80×80×2 |
100×125×2 |
23 |
335 |
405 |
230 |
16 |
M20 |
114 |
21 |
134 |
注:由于產品不斷改良,當外形與參數變更時,均以實物為主,想要了解更多產品詳情可電話聯系我們.

DAIKI搬運小坦克AL-DUB型屬于日本DAIKI品牌產品,保質12個月,凡客戶從我公司定購此品牌產品如收到貨物時發現有假貨仿貨均以100倍金額賠償.