型 號:TIRROLLER WRS型搬運小坦克
規 格:5噸-10噸TIRROLLER WRS型
公司名稱:日本TIRROLLER搬運小坦克
保質周期:12
價 格(≤ 1) ¥電議 /臺
優惠價格(≥ 5):電議


TIRROLLER WRS型搬運小坦克介紹:
◆TIRROLLER WRS型搬運小坦克輕量小型設計,方便攜帶,本體高度低,適合小空間搬運作業;
◆WRS型搬運小坦克采用4個聚氨酯滾輪,防震性好,不對損壞地面,可以在混凝土路面上使用;
◆WRS型TIRROLLER搬運小坦克的前輪具有左右45°的旋轉功能,方向轉換順暢,方便轉向搬運;
◆這款TIRROLLER搬運小坦克通過“設置固定軸”進行直行搬運,可搭配手柄或爪式千斤頂使用。

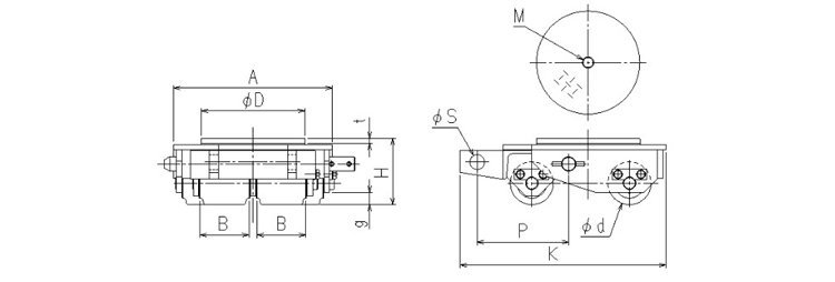
TIRROLLER WRS型搬運小坦克尺寸圖:

| 型 號 | WRS-5U | WRS-8U | WRS-10U | ||
| 額 定 載 荷(t) | 5 | 8 | 10 | ||
| 自 重(kg) | 25 | 42 | 53 | ||
| 移動阻力 | 鋼板路面 | 0.05 | 0.05 | 0.05 | |
| 混凝土路面 | 0.07 | 0.07 | 0.07 | ||
|
額定載荷時轉矩(kg.m) |
靜轉矩 | 鋼板路面 | 40 | 64 | 80 |
| 混凝土路面 | 48 | 77 | 96 | ||
| 動轉矩 | 鋼板路面 | 25 | 40 | 50 | |
| 混凝土路面 | 30 | 48 | 60 | ||
|
框架 |
A | 284 | 340 | 364 | |
| K | 358 | 410 | 436 | ||
| P | 159 | 189 | 189 | ||
| H | 115 | 140 | 145 | ||
| g | 15 | 20 | 25 | ||
| ØS | 26 | 31 | 31 | ||
|
輪子 |
材質 | 聚氨酯輪 | |||
| 個數 | 4 | 4 | 4 | ||
| Ød | 75 | 95 | 105 | ||
| B | 85 | 110 | 120 | ||
|
轉盤 |
ØD | 180 | 240 | 240 | |
| t | 9 | 9 | 9 | ||
| M | M20 | M20 | M20 | ||
| 手柄(可選) | PH-25 | PH-30 | PH-30 | ||
注:由于產品不斷改良,當外形與參數變更時,均以實物為主,想要了解更多產品詳情可電話聯系我們。

TIRROLLER WRS型搬運小坦克屬于日本TIRROLLER品牌原裝進口產品,保質12個月(易損件除外),凡客戶從我公司定購此品牌產品如收到貨物時發現有假貨仿貨均以100倍金額賠償。