型 號:TIRROLLER W型搬運小坦克
規 格:2噸-10噸TIRROLLER W型搬運
公司名稱:日本TIRROLLER搬運小坦克
保質周期:12
價 格(≤ 1) ¥電議 /臺
優惠價格(≥ 5):電議


◆TIRROLLER W型搬運小坦克采用輕量小型設計,鋼制表面,結構穩固,其耐久性和安全性較高;
◆此款TIRROLLER搬運小坦克輪子材質為聚氨酯輪(W-10SA型采用鋼輪),在搬運過程中,減少對地面的損壞,防震性好,減少振動,搬運更穩定;
◆W型搬運小坦克可在普通、鋼板和混凝土地面上進行搬運。
TIRROLLER W型搬運小坦克適合各種設備的搬運工作,如:工廠布局的變更、車床、研磨機、大型變壓器、鍋爐的移運和安裝等。

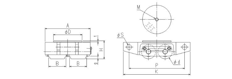
TIRROLLER W型搬運小坦克尺寸圖:

|
型 號 |
W-2UA |
W-3UA |
W-5UA |
W-8UA |
W-10SA |
|
|
安 全 載 荷(t) |
2 |
3 |
5 |
8 |
10 |
|
|
自 重(kg) |
13 |
17 |
32 |
42 |
20 |
|
|
移動阻力 |
鋼板路面 |
0.05 |
0.05 |
0.05 |
0.05 |
0.05 |
|
混凝土路面 |
0.07 |
0.07 |
0.07 |
0.07 |
0.07 |
|
|
框架
|
A |
214 |
244 |
284 |
344 |
204 |
|
K |
330 |
350 |
400 |
460 |
350 |
|
|
P |
270 |
290 |
340 |
400 |
290 |
|
|
H |
84 |
94 |
124 |
144 |
99 |
|
|
g |
15 |
14 |
29 |
34 |
20 |
|
|
ØS |
26 |
26 |
26 |
31 |
26 |
|
|
輪子
|
材質 |
聚氨酯輪 |
鋼輪 |
|||
|
|
個數 |
4 |
4 |
4 |
4 |
4 |
|
|
Ød |
65 |
75 |
100 |
120 |
78 |
|
|
B |
75 |
90 |
110 |
140 |
70 |
|
轉盤 |
ØD |
150 |
150 |
180 |
240 |
150 |
|
t |
6 |
6 |
9 |
9 |
6 |
|
|
M |
M16 |
M16 |
M20 |
M20 |
M16 |
|
|
專用手柄(可選) |
PH-25 |
PH-25 |
PH-25 |
PH-25 |
PH-25 |
|
注:由于產品不斷改良,當外形與參數變更時,均以實物為主,想要了解更多產品詳情可電話聯系我們。

TIRROLLER W型搬運小坦克屬于日本TIRROLLER品牌原裝進口產品,保質12個月(易損件除外),凡客戶從我公司定購此品牌產品如收到貨物時發現有假貨仿貨均以100倍金額賠償。