型 號:TIRROLLER WBS型搬運小坦克
規 格:2噸-10噸TIRROLLER搬運小坦克
公司名稱:日本TIRROLLER
保質周期:12
價 格(≤ 1) ¥電議 /臺
優惠價格(≥ 5):電議
????????????????????????????????????????????????????????????????????????????????????????? TIRROLLER WBS型搬運小坦克,WBS型搬運小坦克

◆TIRROLLER?WBS型搬運小坦克采用低型設計,本體高度低,本體自重輕,攜帶方便;
◆WBS型搬運小坦克本體采用鋼制,結構緊湊,堅固耐用;
◆WBS型TIRROLLER搬運小坦克輪子采用聚氨酯搬運坦克輪,減少對地面的損壞,可以在鋼板路面或者混凝土路面上使用;
◆TIRROLLER?WBS型搬運小坦克頂板可以以4°傾角傾斜,保持穩定搬運。
日本TIRROLLER?搬運小坦克主要用于工廠設備的搬運就位,如:機床,拋光機,刨床、大型變壓器和鍋爐、污染控制設備的移動和安裝等。

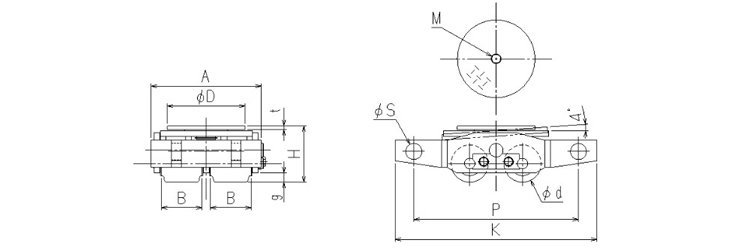
TIRROLLER?WBS型搬運小坦克尺寸圖:

|
|
WBS-2U |
WBS-3U |
WBS-5U |
WBS-8U |
WBS-10U |
||
|
??載 ??荷(t) |
2 |
3 |
5 |
8 |
10 |
||
|
???自?????????重(kg) |
7 |
10 |
21 |
37 |
47 |
||
| 移動阻力
? |
鋼板路面 |
0.05 |
0.05 |
0.05 |
0.05 |
0.05 |
|
|
混凝土路面 |
0.07 |
0.07 |
0.07 |
0.07 |
0.07 |
||
|
? 框架 ? ?
|
A |
165 |
185 |
264 |
284 |
304 |
|
|
K |
280 |
325 |
370 |
425 |
450 |
||
|
P |
230 |
265 |
310 |
365 |
390 |
||
|
H |
77 |
91 |
112 |
138 |
150 |
||
|
g |
10 |
15 |
15 |
17 |
18 |
||
|
?S |
21 |
26 |
26 |
31 |
31 |
||
|
? 輪子 ? ? |
材質 |
聚氨酯輪 |
|||||
|
個數 |
4 |
4 |
4 |
4 |
4 |
||
|
?d |
46 |
60 |
75 |
95 |
105 |
||
|
B |
55 |
65 |
85 |
110 |
120 |
||
| 轉盤
?
|
?D |
125 |
125 |
180 |
240 |
240 |
|
|
t |
6 |
6 |
9 |
9 |
9 |
||
|
M |
M16 |
M16 |
M20 |
M20 |
M20 |
||
|
專用手柄(可選) |
PH-20 |
PH-25 |
PH-25 |
PH-30 |
PH-30 |
||
注:由于產品不斷改良,當外形與參數變更時,均以實物為主,想要了解更多產品詳情可電話聯系我們。

TIRROLLER ?WBS型搬運小坦克為日本原裝進口產品,保質1年,我公司承諾凡是客戶在我公司定購的進口類產品均為原裝正品,絕不存在拆件貨,換件貨,假冒品牌產品,凡客戶從我公司訂購日本TIRROLLER產品如收到貨物時發現有拆件貨,換件貨,假冒、假貨仿貨均以100倍金額賠償。
?
?
?