型 號:DSW型DAIKI搬運小坦克
規 格:10噸-20噸DAIKI搬運小坦克
公司名稱:日本DAIKI
保質周期:12
價 格(≤ 1) ¥電議 /臺
優惠價格(≥ 5):電議


DAIKI DSW型搬運小坦克介紹:
◆DAIKI DSW型搬運小坦克與其他同品牌搬運小坦克的區別是,它采用鋼輪,配備4個鋼輪,其材質堅固耐用,承載能力強,耐用持久.
◆DAIKI?DSW型搬運小坦克配有可旋轉轉盤,使其操作轉向更加靈活,在承載重型設備時,移動更加省力,省時,提高工作效率.
注:在選擇此型號DAIKI搬運小坦克時,應在配有鋼板的地面上使用.

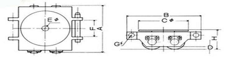
DAIKI DSW型搬運小坦克尺寸圖:
? ? ? ? ? ? ? ? ? ? ? ? ? ? ? ? ? ? ? ? ? ? ? ??
|
型號 |
載荷 |
滑輪 |
重量 |
A |
B |
φC |
D |
E |
F |
φG |
H |
|
DSW-10 |
10T |
60×80×4 |
13 |
215 |
250 |
150 |
11 |
M16 |
114 |
23 |
80 |
|
DSW-15 |
15T |
80×80×4 |
20 |
215 |
295 |
200 |
13 |
M20 |
114 |
23 |
105 |
|
DSW-20 |
20T |
100×125×4 |
41 |
315 |
355 |
240 |
21 |
M20 |
114 |
23 |
128 |
注:由于產品不斷改良,當外形與參數變更時,均以實物為主,想要了解更多產品詳情可電話聯系我們。

DAIKI DSW型搬運小坦克為日本原裝進口產品,保質1年,我公司承諾凡是客戶在我公司定購的進口類產品均為原裝正品,絕不存在拆件貨,換件貨,假冒品牌產品,凡客戶從我公司訂購日本DAIKI產品如收到貨物時發現有拆件貨,換件貨,假冒、假貨仿貨均以100倍金額賠償。