型 號:S型JUNG組合式搬運小坦克
規 格:32噸-48噸JUNG組合式搬運小坦克
公司名稱:德國JUNG組合式搬運小坦克
保質周期:60
價 格(≤ 1) ¥電議 /臺
優惠價格(≥ 5):電議


◆S型JUNG組合式搬運小坦克由一臺可轉向的牽引車和兩臺直行后車組合而成,高度只有125mm,輕量型;
◆S型組合式搬運坦克車可以在樞軸上轉動的輥盒確保使壓力被均勻分布到輪子和地面上(不包括JLB 16 S);
◆德國JUNG S型組合式搬運小坦克采用短輪設計(60mm長度),減少了轉彎時候的摩擦力,使得轉向更容易;
◆此款組合式搬運小坦克的連接桿可調寬度搬運車,可以在轉彎中輪子方向一致,可根據重物體積調整后車間距離;
◆德國進口S型組合式搬運小坦克采用耐磨輥輪,內含高密度滾珠軸承,外部耐用涂層,可選配膠輪和鋼輪。


|
型號 |
32噸套 |
48噸套 |
||
|
|
JLB 16 S |
JFB 16S |
JLB 24S |
JFB 24 S |
|
載荷(T) |
16 |
16 |
24 |
24 |
|
輪子數量 |
16 |
16 |
24 |
24 |
|
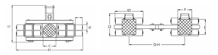
輪子尺寸mm(Øxl) |
90×60 |
90×60 |
90×60 |
90×60 |
|
高度mm |
125 |
125 |
125 |
125 |
|
面板尺寸mm(ExF) |
|
200×220 |
|
200×220 |
|
后車尺寸mm(L2xB2) |
|
370×330 |
|
370×465 |
|
連接桿尺寸mm(Length) |
|
2×1540 |
|
2×1540 |
|
連接桿調節范圍mm(G-H) |
|
540-1300 |
|
660-1300 |
|
轉盤直徑mm(ØC) |
215 |
|
215 |
|
|
前車尺寸mm(L1xB1) |
580×805 |
|
580×1165 |
|
|
牽引桿拉環mm(Length) |
1210 |
|
1480 |
|
|
自重kg |
81 |
76 |
120 |
80 |

S型JUNG組合式搬運小坦克實物圖:


S型JUNG組合式搬運小坦克屬于德國JUNG品牌產品,保質五年(易損件除外),凡客戶從我公司定購此品牌產品如收到貨物時發現有假貨仿貨均以100倍金額賠償。