型 號:DUW-RK型
規 格:3噸-10噸
公司名稱:日本DAIKI
保質周期:12
價 格(≤ 1) ¥電議 /臺
優惠價格(≥ 5):電議


■DUW-RK搬運小坦克在DUW-R型DAIKI手搖搬運小坦克基礎上整體經過特殊處理,屬于無塵室手搖搬運小坦克,耐腐蝕防生銹;
■DUW-RK搬運小坦克通過操作桿進行移動,無需額外牽引力;
■DUW-RK搬運小坦克帶有手搖驅動裝置,節省人力,適合狹窄場合使用。
![]()
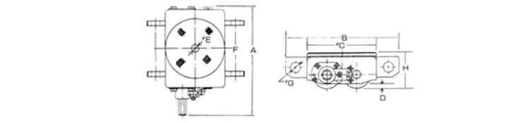
DAIKI DUW-RK搬運小坦克尺寸圖:

|
型號
|
載荷 |
ローラー |
重量 |
A |
B |
φC |
D |
E |
F |
φG |
H |
|
DUW-3RK |
30(3) |
60×80×4 |
10 |
275 |
260 |
150 |
11 |
M16 |
114 |
23 |
78 |
|
AL-DUW-5RK |
50(5) |
80×80×4 |
19 |
292 |
330 |
200 |
20 |
M20 |
114 |
21 |
112 |
|
AL-DUW-10RK |
100(10) |
100×125×4 |
25 |
390 |
380 |
230 |
20 |
M20 |
114 |
21 |
134 |
注:由于產品不斷改良,當外形與參數變更時,均以實物為主,想要了解更多產品詳情可電話聯系我們。
AL-DUW-RK代表鋁合金搬運小坦克。
![]()
DAIKI DUW-RK搬運小坦克為日本原裝進口產品,保質1年,我公司承諾凡是客戶在我公司定購的進口類產品均為原裝正品,絕不存在拆件貨,換件貨,假冒品牌產品,凡客戶從我公司訂購日本DAIKI 產品如收到貨物時發現有拆件貨,換件貨,假冒、假貨仿貨均以100倍金額賠償。
–