型 號:NE型
規 格:0.5~5噸
公司名稱:日本鷹牌EAGLE CLAMP
保質周期:12
價 格(≤ 1) ¥電議 /臺
優惠價格(≥ 5):電議


產品特點:
◆鷹牌NE型豎吊鋼板夾鉗配有螺絲夾,有效防止意外滑落
◆附帶有螺旋式夾緊釋放裝置和淬火處理的合金鋼制鎖擋凸輪,夾緊力強
◆鷹牌鋼板吊鉗采用高強度焊接鋼制本體,長時間使用不易斷裂
◆NE型豎吊鋼板起重鉗帶有大的吊環,容易操作
應用:
廣泛用于鋼板、扁鋼、型鋼等鋼結構在橋梁、鋼梁、鋼框架等領域的運輸、倒置、組裝
【相關產品】NNE型豎吊無傷鋼板鉗

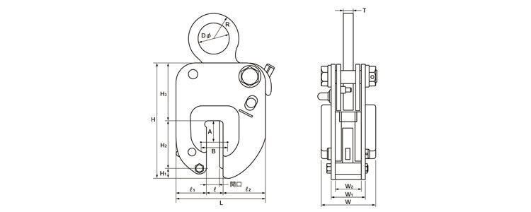
NE型豎吊鋼板夾鉗結構尺寸圖:

| 型號 |
使用荷重 min~max(kg) |
有效板厚 (mm) |
l | l1 | l2 | L | H1 | H2 | H3 | H | W1 | W2 | W | D | R | T | A | B |
自重 (kg) |
| NE-500(3-20) | 100~500 | 3~20 | 25 | 55 | 68 | 148 | 18 | 78 | 99 | 195 | 48 | 36 | 60 | 50 | 40 | 12 | 40 | 40 | 5.8 |
| NE-1(5-25) | 200~1000 | 5~25 | 31 | 60 | 80 | 171 | 27 | 88 | 110 | 225 | 55 | 43 | 71 | 50 | 45 | 16 | 50 | 50 | 8.6 |
| NE-2(5-30) | 400~2000 | 5~30 | 36 | 71 | 91 | 198 | 26 | 107 | 133 | 266 | 71 | 54 | 87 | 60 | 55 | 19 | 50 | 60 | 15.1 |
| NE-3(10-35) | 600~3000 | 10~35 | 40 | 85 | 100 | 225 | 35 | 110 | 155 | 300 | 82 | 62 | 102 | 60 | 55 | 19 | 60 | 60 | 23.6 |
| NE-5(10-40) | 1000~5000 | 10~40 | 50 | 105 | 130 | 285 | 40 | 130 | 175 | 345 | 104 | 80 | 128 | 70 | 60 | 25 | 60 | 70 | 42.0 |
注:由于產品不斷改良,當外形與參數變更時,均以實物為主,想要了解更多產品詳情可電話聯系我們.
【相關技術資料】保養鋼板起重鉗的方法

NE型豎吊鋼板鉗屬于日本鷹牌EAGLE CLAMP品牌原裝進口產品,保質12個月(易損件除外)。凡客戶從我公司定購此品牌產品如收到貨物時發現有假貨仿貨均以100倍金額賠償。